ひび割れ発見

 技術に関する情報や質問をどうぞ!
アバター
おがた
記事: 1769
登録日時: 2005年5月08日(日) 10:55
お住まい: TOKYO / Call Sign: JR1UII
連絡する:

ひび割れ発見

投稿記事 by おがた »

 しばらく乗らないでいると、いろいろと見つかります。
今度は燃料ホースのひび割れです。

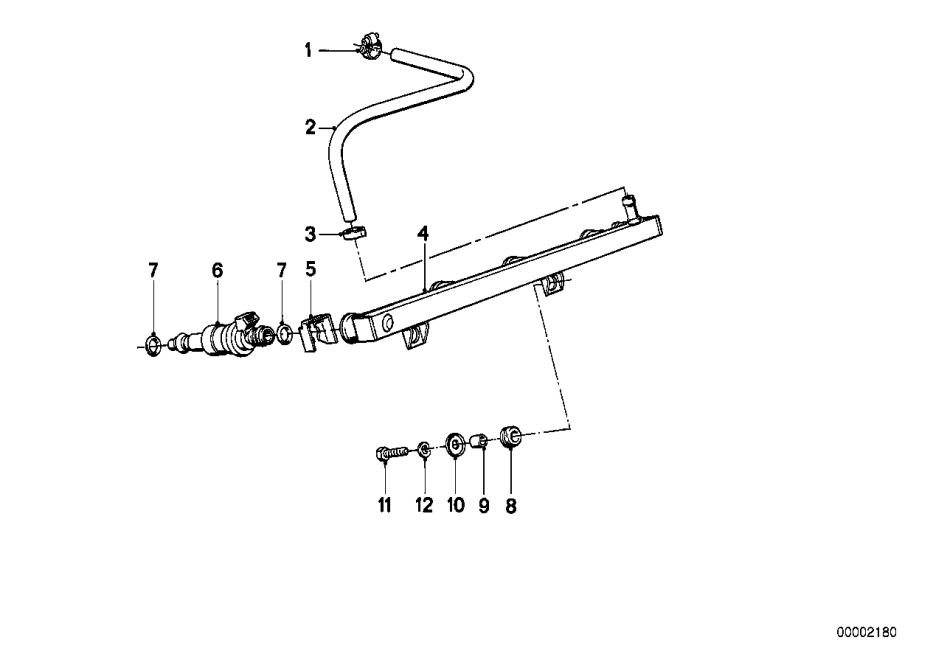
 写真のヒビは前側のホースです。これはタンク -> インジェクションレール間で13311461971かな?
 さて、リターンのホースはどれだ?13311461973かな?

 上記2本のホース以外についでに交換すべき燃料系ホースがありそうですね。ちょっと調べてみることにします。 :?

 もし、ご存知の方がいましたら、情報をいただけると助かります。
添付ファイル
カッターで裂かれたような・・・
カッターで裂かれたような・・・
アバター
おがた
記事: 1769
登録日時: 2005年5月08日(日) 10:55
お住まい: TOKYO / Call Sign: JR1UII
連絡する:

計3本かな?

投稿記事 by おがた »

 燃料ホースは計3本のようです。

タンク => インジェクションレール:13311461971
インジェクションレール=> pressure regulator : 13311461973
pressure regulator => インジェクションレール : 13541461494

とりあえず、この3本を交換すればよいのようです。もし違っているようでしたらご指摘をお願いいたします。

<業務連絡>
Tamoさん。燃料ホースは切り売り・・・と言いましたが、それはガソリンタンク内のホースの話しでした。失礼しました。
添付ファイル
インジェクションレールからpressure regulator (#8)<br />pressure regulator からインジェクションレール  (#6)
インジェクションレールからpressure regulator (#8)
pressure regulator からインジェクションレール (#6)
タンクからインジェクションレール(#2)
タンクからインジェクションレール(#2)
アバター
Aniv.K.なべ
記事: 263
登録日時: 2007年3月30日(金) 16:03
お住まい: 東京 SUMIDA

ついでにバキュームホースも

投稿記事 by Aniv.K.なべ »

おがたさん こんにちはです。

経年劣化していると思われますので#5のバキュームホースもついでの交換オススメします(私のはボロボロでした)
画像で判る様にプレッシャーレギュレーターの位置がスロットルボディ裏、しかも下の方にあるので3本交換するにはエアクリBOX(アッパー、ロワー両方)脱着が必要です :cry: 荒業でロワー側のみ脱着でいけるかもしれませんが・・・

プレッシャーレギュレーターの位置、1100LTと私の4v恐らく一緒だとは思いますが、万が一違っていたらゴメンナサイ。
添付ファイル
インテークリフレッシュ08'0518 001.jpg
アバター
おがた
記事: 1769
登録日時: 2005年5月08日(日) 10:55
お住まい: TOKYO / Call Sign: JR1UII
連絡する:

ありがとうございます

投稿記事 by おがた »

Aniv.K.なべさん、ありがとうございます。

注文リストに、追加しておきます。

あと、しょちさんが交換に苦労したエアクリーナー内で結合されているホースもついでに交換してしまおうと思っています。

現在、シカゴに送料を確認中。 :lol:
アバター
Falcon
記事: 215
登録日時: 2007年7月10日(火) 12:49
お住まい: Beppu-shi, Oita. Call sign: JA1RJD

Re: ありがとうございます

投稿記事 by Falcon »

おがた さんが書きました:現在、シカゴに送料を確認中。 :lol:
おがたさん、どうも。
Chicago BMWの支払いはクレジットカード?
以前クレジットカードで支払いをしようとしたら米国内で発行されたクレジットカードしか受け付けないということではねられた経験があるけど。
93 K11RS Lucifer Red
アバター
おがた
記事: 1769
登録日時: 2005年5月08日(日) 10:55
お住まい: TOKYO / Call Sign: JR1UII
連絡する:

そうなんです

投稿記事 by おがた »

 確かに、以前はそうでしたよね。

 まだカードの持ち主のことは確認していませんが、現在は海外からもユーザ登録でき、さらに発送もすると書いてあります。
 なので、日本のカードでも購入できると解釈しています。Web上にも以前のような制限が書かれていないし・・・、多分大丈夫でしょう。

 このような状態になっていることが判っていたら、今週ドイツからくる友人に頼んだのに・・・ :?
いーぐる
記事: 48
登録日時: 2007年7月05日(木) 18:31
お住まい: 大阪
連絡する:

結構手強そうですね。。。

投稿記事 by いーぐる »

皆さま、こんばんは。
わたしもそのあたりのホース類を自分で交換した事が無くしばらく放置状態ですので危ないかも!?
なべさんの写真でスロットルボディまで外されていますが、エアクリBOX上下だけはダメですか?
kouta
記事: 44
登録日時: 2005年5月16日(月) 18:24
お住まい: 大阪

丁度一年前ですが・・・・・

投稿記事 by kouta »

昨年2月にホース類をDIYにて取替ましたが、ディーラーさんでホースを
購入しました。ご参考まで・・・・・

ブローバイホース   1115 1461 835 ¥1,660.?
バキュームホース 5173 1257 971 ¥600.?
燃料ホース 1331 1461 971 ¥1,380.?
    1354 1461 494 ¥2,140.?
1331 1461 973 ¥1,840.?

ホースクランプ    小&中   ホームセンターで調達
アバター
おがた
記事: 1769
登録日時: 2005年5月08日(日) 10:55
お住まい: TOKYO / Call Sign: JR1UII
連絡する:

Re: 丁度一年前ですが・・・・・

投稿記事 by おがた »

kouta さんが書きました:昨年2月にホース類をDIYにて取替ましたが、ディーラーさんでホースを
購入しました。ご参考まで・・・・・
koutaさん、貴重な情報ありがとうございます。
海外で買って、送料を考えると、あまり大差が無いようですね。

 今回は2人分(誰だ? :lol: )買うのと、私がグリップヒータを買ったりするので、今のところ海外オーダを考えています。
アバター
Aniv.K.なべ
記事: 263
登録日時: 2007年3月30日(金) 16:03
お住まい: 東京 SUMIDA

坊主なりの見解です

投稿記事 by Aniv.K.なべ »

いーぐるさん こんばんはです。

>エアクリBOX上下だけはダメですか?
上下だけでもイケルと思います。但しプレッシャーレギュレーターをスロットルボディからステーごと外し多少フリーにする事が前提です。画像のままやろうとするとスペース的につらいと思いますので。
・・・すみません。誤解を受けたと思いますがあの画像はインテーク回りのゴム類やフューエルホース、インジェクターのOリングなど全交換した時の物なので今回の作業のみならばスロットルボディは外さなくても(恐らく)大丈夫です。

ちなみにフューエルホースのクランプ、私の4vには純正と思われるカシメ型でしたがkoutaさんと同じくホームセンターで調達しました(笑
アバター
yhog
記事: 959
登録日時: 2005年5月08日(日) 21:49
お住まい: SAKADOBASE SAITAMA
連絡する:

DUNLOPの耐久性

投稿記事 by yhog »

写真を見ると本当にカッターで裂かれたように見えるね。
サニー!だから外側からは見えないようにうまく切れってあれほどいっただろうが :twisted:

タンクからの2本のホース。私はこれを3年前の夏にブリジストンのコットンの芯入りのホースにしましたよ。耐オイル&ガソリン用でサイズ(内径)もバリエーションがあってメートル売りが気になったけど2本はとれるから純正よりも安いし耐久性は言うに及ばずだろ。こんなショップもあるけど・・http://hosegarage.com/index.html

クランプはOetikerが一番なんだろうが、以前確認したように台数分まとまらないとね・・インマニラバーインシュのクランプじゃなくてホースクランプなら国産のDIYショップで調達で充分だしね。

海外の通販については昨年11月からかなりうるさくなってるぞ。金融危機以降クレジットの回収はぐれがかなりあるみたいで、この3ヶ月間でアメリカでもイギリスでも以前から日本からのオーダー受けていた会社やショップなのに、いきなり「クレジットカードの両面をスキャンした画像送れ」とか「クレジットカードの明細書の1か月分をコピーして送れ」だとか・・面倒だ。 Bob'sでも今までそんなことなかったのにカードの両面スキャンして送ってくれって言ってきたけど、昨年5月にもオーダー履歴が残っていたから免除されたけどね。
アバター
サニー
記事: 892
登録日時: 2005年5月10日(火) 18:18
お住まい: 川崎市高津区

Re: DUNLOPの耐久性

投稿記事 by サニー »

yhog さんが書きました:写真を見ると本当にカッターで裂かれたように見えるね。
サニー!だから外側からは見えないようにうまく切れってあれほどいっただろうが :twisted:
アッシすか?バレちゃしょうがね?。8)
切り売りのホースでしたら余分ありますよ?。
いーぐる
記事: 48
登録日時: 2007年7月05日(木) 18:31
お住まい: 大阪
連絡する:

Re: 坊主なりの見解です

投稿記事 by いーぐる »

なべさんのインテーク回りを外さずとも作業できるとお話しを伺って安心しました。
…でもこの辺りの部品もどうせなら一緒に交換したほうが良さそうだと思い浮かびましたが
 一度外すと結構エアを吸いやすくて苦労するとのお話しをどこかで見たような気が。。。

ちなみにカシメ型クランプ用の工具は持っているのですが、奥まった場所などで中途半端に
うまくかしめられずに中途半端になってしまうので、いっそネジ止め型のほうが正解そうです(^^)
アバター
おがた
記事: 1769
登録日時: 2005年5月08日(日) 10:55
お住まい: TOKYO / Call Sign: JR1UII
連絡する:

やっぱりそうだったか

投稿記事 by おがた »

 やっぱり、サニーさんでしたか。風もないのに、バイクのカバーがガサガサしていた日があったけ。 :lol:

 皆さん、いろいろとお徳な情報ありがとうございます。
 STARFLEX製フューエルホースもよさげですね。汎用品だと型がついていないと思いますが、取り回しなどいかがでしょうか? >YHさん

 いまだ、シカゴ、Goodridgeともに回答なしです。 :(

 Grip HeaterはeBayで落とせたら、ホースは国内調達に切り替えるかな?
どうでしょう、 〇バさん!!
アバター
yhog
記事: 959
登録日時: 2005年5月08日(日) 21:49
お住まい: SAKADOBASE SAITAMA
連絡する:

無問題

投稿記事 by yhog »

国産ホースだけど、純正のように形はついていませんね。でも燃料の送り出しとリターンの機能には全く問題はありませんね。因みに購入後に鉛のロッドをL型に曲げてホースの一端にいれてヒートガンで温め、冷水に漬けを10回ほど繰り返しそのまま3日間放置しておいたらそれなりの形はついたけどね。

あっ、因みにコバさんにはこの前の日曜日にホースネタをディスクローズしてありますから国産でも無問題 :lol:
返信する